产品目录
推荐文章
- 表面性能测量仪
- 便携式塑胶跑道冲击吸收及垂直变形试验仪
- 高效过滤器计数检漏仪
- 便携式塑胶跑道冲击吸收及垂直变形试验仪
- 滚珠轴承润滑脂低温转矩测定仪
- 塑胶跑道抗滑值测定仪
- 圆锥辊子轴承剪切试验机
- 润滑脂氧化安定性测试仪
- 全自动手套线性耐切割性能试验仪(直刀法)
- 呼吸脉冲发生器
联系我们
联系人:王经理
联系电话:13120992305
客服QQ:1552956819
公司地址:上海市松江区洞泾镇长兴东路1586号
呼吸湿化设备湿化输出测试仪,湿度测试工装,湿度测试系统
呼吸湿化设备湿化输出测试仪/湿度测试工装
一、概述:
湿度测试工装主要测试湿化器的湿化输出。
二、技术参数:
参数 | 规格 |
操作系统 | PLC+Windows |
操作界面 | 笔记本电脑 |
标准温度传感器 | 热敏电阻温度传感器;在温度25℃~45℃时精度为±0.2℃ |
测试温度范围 | RT ~50℃ |
温度探头规格 | φ3.18*6mm |
气体流量计 | 0~150L/min 精度:±2% 气体输入输出口径为22mm |
天平 | 量程:10kg 精度:0.1g 带通讯(选配) |
电源 | AC220V 50Hz 功率:250W |
仪器规格 | 360*360*400mm |
YY9706.274-2022 《医用电气设备 第2-74部分:呼吸湿化设备的基本安全和基本性能专用要求》
四、仪器特征
1.便携式终端处理系统(包括软件测试与分析系统):
采用便携式笔记本电脑,操作简单直观方便,软件系统采用Windows10系统,试验报告可以多种格式输出(如EXCL、PDF等)
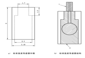
2.标准温度传感器
(1)在水中以1m/s的流量实现22℃阶跃到37℃时,0.5s<温度传感器时间常数<1.0s;
(2)环境温度对传感器精度的影响<0.01℃/1℃。
(3)传感器构造:
A.1根6mm长的外径为3.18mm的铜管。内径宜为热敏电阻珠留出足够的间隙。按照下图中给出的尺寸且热传导率>386W/(m·K)的任何材料。热敏电阻在25℃~45℃(在等温混合的空气或水中)之间,精度为±0.2℃。供应商通常具有在25℃时阻值2252Ω的热敏电阻。
B.热敏电阻的电导线宜是#32规格的镀锡铜线,长度至少为60mm[包含其他热传导率180W/(m·K)的材料]。热敏电阻的电导线宜被套上以实现电气绝缘和热隔离。热塑管达到了两个目的,包含任何热传导率<0.02W/(m·K)的电绝缘材料。
(4)尺寸:符合下图单位:毫米

五、配置清单
主机1台;
说明书1份;
合格证1份;
保修卡1份;
签收单1份;
铭牌1块;
电源线1根;
扳手1套;
配套输出接头 22M/22F (可选配其他规格)
笔记本电脑 1台(选配)
电子天平 1台(选配)
标准温度传感器 2个
数据通讯线;1套

- 上一篇:超声洁牙机振幅测试工装
- 下一篇:手动定位工装
相关文章
-
2024-09-27
依据标准:QB/T 2155,QB/T4116-2010&n···
-
2024-09-29
用途描述熨烫升华色牢度仪是一种专门用于测试各种纺织品耐熨烫升···
-
2024-09-06
一,用途主要用于医用球囊、充气球囊、扩张球囊、硅胶球囊、呼吸···
-
2024-09-05
一、功能与定义核心作用通过量化切割力值,评估刀片能否高效···
-
2024-09-06
导管柔顺性测试仪是评估医用导管在模拟血管环境中弯曲变形能力的···
-
2025-06-02
仪器应用波纹板式脱硝催化剂磨损率测试仪是专门用于评估波纹板式···
-
2024-09-30
1、耐磨损性 在陶瓷磨屑中运动的磨损试验 试验目的是模拟手表···
-
2024-09-21
仪器用途∶对浮力体材料(如气囊、泡沫塑料、木棉囊等)及救生衣···
-
2024-09-23
一、测试原理及设备特点测试原理:手套完整性测试仪是采用压差衰···
-
2024-08-21
描述鞋子剥离强度试验机用于检验成鞋鞋底与鞋帮之间剥离强度.将···



