产品目录
推荐文章
- 细节再现工装、细节再现器具、划线试验块
- 稠度试样材料量取器,稠度试验材料的量取器
- 圆柱形牙科银汞合金试样的模具
- 制备赫兹载荷强度降低腐蚀试验用圆片试样的模具
- 显微硬度测量试样模具
- 腐蚀试验装置、牙科银汞合金浸泡腐蚀试验机
- 物理完整性试验器具、牙根管充填尖物理完整性试验夹具工作
- 牙科学水基水门汀工作时间和固化时间测试仪
- 牙本质通透性测量装置、牙本质通透性测量仪
- 聚合物收缩测量装置、聚合收缩测试仪-激光测距法
联系我们
联系人:王经理
联系电话:13120992305
客服QQ:1552956819
公司地址:上海市松江区洞泾镇长兴东路1586号
产品详情
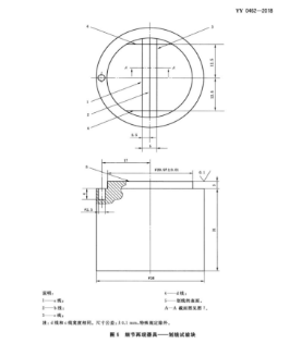
细节再现工装-细节再现器具-划线试验块
 
符合标准:
YY/T 0462-2018,7.7细节再现
 
介绍:
试验块:带如图6和图7中示的划线,由硬化不锈钢材质(400VHN)制成。
环形模具:如图8示。按GB/T131-2006,表面粗糙度为N5(Ra=0.4μm).
开口模具:如图9示。按GB/T131-2006,表面粗糙度为N5(Ra=0.4μm





本文地址:/pdetail/2692.html
- 上一篇: 稠度试样材料量取器,稠度试验材料的量取器
- 下一篇: 没有了!
相关文章
-
2026-04-08
细节再现工装-细节再现器具-划线试验块&···
-
2026-04-08
稠度试样材料量取器、度试验材料的量取器容···
-
2026-04-08
圆柱形牙科银汞合金试样的模具执行标准:Y···
-
2026-04-08
制备赫兹载荷强度降低腐蚀试验用圆片试样的···
-
2026-04-08
显微硬度测量试样模具执行标准:YY/T···
-
2026-04-08
腐蚀试验装置---YY/T 0515-2···
-
2026-04-08
物理完整性试验器具、牙根管充填尖物理完整···
-
2026-04-08
牙科学水基水门汀工作时间和固化时间测试仪···
-
2026-04-08
牙本质通透性测量装置、牙本质通透性测量仪···
-
2026-04-08
聚合物收缩测量装置、聚合收缩测试仪-激光···
13120992305


