产品目录
推荐文章
- 细节再现工装、细节再现器具、划线试验块
- 稠度试样材料量取器,稠度试验材料的量取器
- 圆柱形牙科银汞合金试样的模具
- 制备赫兹载荷强度降低腐蚀试验用圆片试样的模具
- 显微硬度测量试样模具
- 腐蚀试验装置、牙科银汞合金浸泡腐蚀试验机
- 物理完整性试验器具、牙根管充填尖物理完整性试验夹具工作
- 牙科学水基水门汀工作时间和固化时间测试仪
- 牙本质通透性测量装置、牙本质通透性测量仪
- 聚合物收缩测量装置、聚合收缩测试仪-激光测距法
联系我们
联系人:王经理
联系电话:13120992305
客服QQ:1552956819
公司地址:上海市松江区洞泾镇长兴东路1586号
细节再现工装、细节再现器具、划线试验块
细节再现工装-细节再现器具-划线试验块
符合标准:
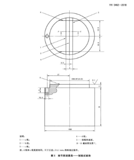
YY/T 0462-2018,7.7细节再现
介绍:
试验块:带如图6和图7中所示的划线,由硬化不锈钢材质(400VHN)制成。
环形模具:如图8所示。按GB/T131-2006,表面粗糙度为N5(Ra=0.4μm).
开口模具:如图9所示。按GB/T131-2006,表面粗糙度为N5(Ra=0.4μm





本文地址:/ndetail/1914.html
- 上一篇:稠度试样材料量取器,稠度试验材料的量取器
- 下一篇:没有了
相关文章
-
2024-09-27
依据标准:QB/T 2155,QB/T4116-2010&n···
-
2024-09-29
用途描述熨烫升华色牢度仪是一种专门用于测试各种纺织品耐熨烫升···
-
2024-09-06
一,用途主要用于医用球囊、充气球囊、扩张球囊、硅胶球囊、呼吸···
-
2024-09-05
一、功能与定义核心作用通过量化切割力值,评估刀片能否高效···
-
2024-09-06
导管柔顺性测试仪是评估医用导管在模拟血管环境中弯曲变形能力的···
-
2025-06-02
仪器应用波纹板式脱硝催化剂磨损率测试仪是专门用于评估波纹板式···
-
2024-09-30
1、耐磨损性 在陶瓷磨屑中运动的磨损试验 试验目的是模拟手表···
-
2024-09-21
仪器用途∶对浮力体材料(如气囊、泡沫塑料、木棉囊等)及救生衣···
-
2024-09-23
一、测试原理及设备特点测试原理:手套完整性测试仪是采用压差衰···
-
2024-09-02
生产的系列医用注射针(器)、输液针(器)、缝合针(线)测试仪···



